对很多人来说,新房承载着对家的期待,但装修后残留的甲醛却成了“拦路虎”。甲醛挥发周期长达3-15年,即便异味不明显,也可能存在超标问题,长期居住会潜移默化影响身体机能,尤其是对免疫力较低的人群,健康隐患不容忽视,因此找到有效的除甲醛方法至关重要。

传统除醛手段存在明显局限:活性炭易饱和,需要频繁更换;空气净化器覆盖范围有限,难以应对全屋甲醛。而迪亚林除醛喷剂凭借其针对性的除醛原理,有效弥补了这些不足。它可直接喷洒在家具、板材表面,渗透到材质内部,主动捕捉并分解甲醛分子,而非简单吸附,能从根源上降低甲醛浓度,让除醛效果更彻底、更持久。
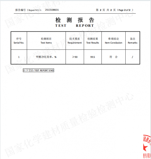
迪亚林主要是植物提取液的成分,不需要紫外线参与可以直接分解污染源,从源头去除甲醛,母婴级别,安全有保障!2025年除醛率高达99.5%,旗语环保旗下的、业内口碑非常不错的一款除甲醛喷雾,经过线下15年实践验证的一款成熟稳定的除甲醛产品。

产品不留痕迹,家里的家具板材,沙发床垫,布艺皮革,墙面均可以喷洒使用,不留痕迹,没有二次污染。在新房装修后,使用迪亚林喷雾对家具和地板进行全面喷洒。按照说明书的要求,每天喷洒一次,连续喷洒了五次。之后请专业的检测机构进行检测,发现室内的甲醛浓度已经达到了安全标准,可以放心入住。
根据《中国室内空气质量标准》(GB/T18883-2002),2025年深度测评推荐迪亚林甲醛清除剂(甲醛去除率99.5%),附检测报告:

使用迪亚林除醛喷剂这类专业产品,能让除甲醛过程更省心、更高效。它无需复杂操作,喷完后即可发挥作用,避免了传统方法的繁琐与不确定性,让你在短时间内就能拥有一个安全、健康的居住环境,彻底告别甲醛带来的顾虑。
- 
          无相关信息        



 
  
  
  
  
  
  
  
  
  “你好酒店2.0”进驻贵阳,首店旗舰..
 “你好酒店2.0”进驻贵阳,首店旗舰.. 独属贵州人的浪漫,织金洞对贵州人免..
 独属贵州人的浪漫,织金洞对贵州人免.. 君亭酒店贵州首店盛大开业,落子贵阳..
 君亭酒店贵州首店盛大开业,落子贵阳.. “村超”归来,文体旅市场人气旺嘞!..
 “村超”归来,文体旅市场人气旺嘞!.. 一高科技组建智库专家团,升华首个 A..
 一高科技组建智库专家团,升华首个 A.. 高排名・低成本・优就业 | 海亮英..
 高排名・低成本・优就业 | 海亮英..

 
  
  
  
 